1.直流電源的框圖
下圖為直流電源的框圖。

2. 半波整流
利用二極管的單向導通性,實現半波整流。

3. 全波整流
在實際電路中多采用單相全波整流電路。在整個周期內負載的電壓和電流方向始終不變,效率提高一倍。

4. 濾波電路
電容濾波:小電流負載,利用大電容的充放電時延實現濾波。

電感濾波:大電流負載;

LC濾波:各種場景。

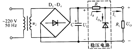
5. 穩壓管穩壓
由于電網電壓的波動,負載的電壓會有波動。又由于整流濾波電路的內阻,當負載變化時,輸出電壓也會變化。所以必須采用穩壓措施。
下圖為穩壓管電路:

在穩壓管穩壓電路中,只要保證穩壓管工作在穩壓區,即 Izmin

對任何穩壓電路都要從兩個方面考慮:電網的波動和負載的變化。這里分析一下電網的波動。
電網電壓↑ → U1↑ → Uo↑ → IDz↑ → IR↑ → UR↑ → Uo↓,實現穩壓功能。
〈烜芯微/XXW〉專業制造二極管,三極管,MOS管,橋堆等,20年,工廠直銷省20%,上萬家電路電器生產企業選用,專業的工程師幫您穩定好每一批產品,如果您有遇到什么需要幫助解決的,可以直接聯系下方的聯系號碼或加QQ/微信,由我們的銷售經理給您精準的報價以及產品介紹
聯系號碼:18923864027(同微信)
QQ:709211280

