如下是一個NMOS的開關電路,階躍信號VG1設置DC電平2V,方波(振幅2V,頻率50Hz),T2的開啟電壓2V,所以MOS管T2會以周期T=20ms進行開啟和截止狀態的切換。


首先仿真Vgs和Vds的波形,會看到Vgs=2V的時候有一個小平臺,有人會好奇為什么Vgs在上升時會有一個小平臺?


MOS管Vgs小平臺
帶著這個疑問,我們嘗試將電阻R1由5K改為1K,再次仿真,發現這個平臺變得很小,幾乎沒有了,這又是為什么呢?


MOS管Vgs小平臺有改善 為了理解這種現象,需要理論知識的支撐。


MOS管的等效模型 我們通常看到的MOS管圖形是左邊這種,右邊的稱為MOS管的等效模型。 其中:Cgs稱為GS寄生電容,Cgd稱為GD寄生電容,輸入電容Ciss=Cgs+Cgd,輸出電容Coss=Cgd+Cds,反向傳輸電容Crss=Cgd,也叫米勒電容。 如果你不了解MOS管輸入輸出電容概念,請點擊:帶你讀懂MOS管參數「熱阻、輸入輸出電容及開關時間」
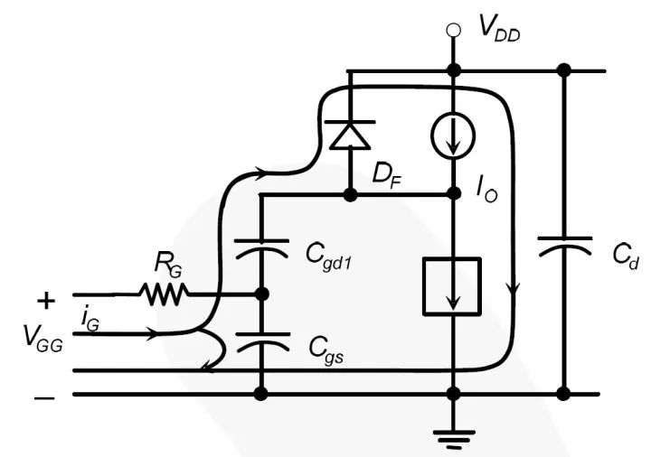
米勒效應的罪魁禍首就是米勒電容,米勒效應指其輸入輸出之間的分布電容Cgd在反相放大的作用下,使得等效輸入電容值放大的效應,米勒效應會形成米勒平臺。 首先我們需要知道的一個點是:因為MOS管制造工藝,必定產生Cgd,也就是米勒電容必定存在,所以米勒效應不可避免。 那米勒效應的缺點是什么呢? MOS管的開啟是一個從無到有的過程,MOS管D極和S極重疊時間越長,MOS管的導通損耗越大。因為有了米勒電容,有了米勒平臺,MOS管的開啟時間變長,MOS管的導通損耗必定會增大。 仿真時我們將G極電阻R1變小之后,發現米勒平臺有改善?原因我們應該都知道了。 MOS管的開啟可以看做是輸入電壓通過柵極電阻R1對寄生電容Cgs的充電過程,R1越小,Cgs充電越快,MOS管開啟就越快,這是減小柵極電阻,米勒平臺有改善的原因。 那在米勒平臺究竟發生了一些什么? 以NMOS管來說,在MOS管開啟之前,D極電壓是大于G極電壓的,隨著輸入電壓的增大,Vgs在增大,Cgd存儲的電荷同時需要和輸入電壓進行中和,因為MOS管完全導通時,G極電壓是大于D極電壓的。 所以在米勒平臺,是Cgd充電的過程,這時候Vgs變化則很小,當Cgd和Cgs處在同等水平時,Vgs才開始繼續上升。 我們以下右圖來分析米勒效應,這個電路圖是一個什么情況?


MOS管D極負載是電感加續流二極管,工作模式和DC-DC BUCK一樣,MOS管導通時,VDD對電感L進行充電,因為MOS管導通時間極短,可以近似電感為一個恒流源,在MOS管關閉時,續流二極管給電感L提供一個泄放路徑,形成續流。 MOS管的開啟可以分為4個階段。 t0~t1階段從t0開始,G極給電容Cgs充電,Vgs從0V上升到Vgs(th)時,MOS管都處于截止狀態,Vds保持不變,Id為零。 t1~t2階段從t1后,Vgs大于MOS管開啟電壓Vgs(th),MOS管開始導通,Id電流上升,此時的等效電路圖如下所示,在IDS電流沒有達到電感電流時,一部分電流會流過二極管,二極管DF仍是導通狀態,二極管的兩端處于一個鉗位狀態,這個時候Vds電壓幾乎不變,只有一個很小的下降(雜散電感的影響)。


t1~t2階段等效電路 t2~t3階段隨著Vgs電壓的上升,IDS電流和電感電流一樣時,MOS管D極電壓不再被二極管DF鉗位,DF處于反向截止狀態,所以Vds開始下降,這時候G極的驅動電流轉移給Cgd充電,Vgs出現了米勒平臺,Vgs電壓維持不變,Vds逐漸下降至導通壓降VF。


t2~t3階段等效電路 t3~t4階段當米勒電容Cgd充滿電時,Vgs電壓繼續上升,直至MOS管完全導通。 結合MOS管輸出曲線,總結一下MOS管的導通過程 t0~t1,MOS管處于截止區;t1后,Vgs超過MOS管開啟電壓,隨著Vgs的增大,ID增大,當ID上升到和電感電流一樣時,續流二極管反向截止,t2~t3時間段,Vgs進入米勒平臺期,這個時候D極電壓不再被續流二極管鉗位,MOS的夾斷區變小,t3后進入線性電阻區,Vgs則繼續上升,Vds逐漸減小,直至MOS管完全導通。


MOS管輸出曲線
〈烜芯微/XXW〉專業制造二極管,三極管,MOS管,橋堆等,20年,工廠直銷省20%,上萬家電路電器生產企業選用,專業的工程師幫您穩定好每一批產品,如果您有遇到什么需要幫助解決的,可以直接聯系下方的聯系號碼或加QQ/微信,由我們的銷售經理給您精準的報價以及產品介紹
〈烜芯微/XXW〉專業制造二極管,三極管,MOS管,橋堆等,20年,工廠直銷省20%,上萬家電路電器生產企業選用,專業的工程師幫您穩定好每一批產品,如果您有遇到什么需要幫助解決的,可以直接聯系下方的聯系號碼或加QQ/微信,由我們的銷售經理給您精準的報價以及產品介紹
聯系號碼:18923864027(同微信)
QQ:709211280

